
Miniature Bearings Australia
BFM-187-A - Datasheet
MBA
Category Information
Housing and Bearing Assembly - Flanged 2 Bolt - Self Aligning - PlasticPlastic Self Aligning Flanged 2 Bolt Housing and Bearing Assembly. This is the main category in this series
- Bearing housing assemblies combine matching parts already assembled. Bearings in this range refer to either ball bearings or plain bearings. Refer to the listings for each type.
- Flanged mounting allows for a shaft to run through a bulkhead to which the housing is mounted, or to have a shaft mounted perpendicular to a metal frame.
- +/- 5% Static Alignment
Product Data
Deleted Item. Available while stocks last.
Please contact us first if you wish to use this item in a new design so we can check whether production can be resumed.
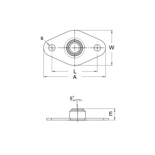
- Nominal Shaft Size
:
4.762
mm
(Equiv. 0.187 in.) - Width (W)
45.72
mm
(Equiv. 1.8 in.) - Overall Length (A)
10.41
mm
(Equiv. 0.41 in.) - Overall Height (E) 22.10 mm
- Min to Max Shaft Dia. 4.788 to 4.839 mm
- Max. Radial Dynamic Load 222 N
- Bolt Hole Centres (L) 30.73 mm
- Max Speed 2010
- Material Delrin ™
Product Compliance and Data
Additional Resources



