
Miniature Bearings Australia
RPO-047-049-SP15 - Datasheet
MBA
Category Information
Retaining Rings - Push On - Stainless SteelStainless Steel Push On Retaining Rings. Rotor Clip TY. Stainless Steel hardness HR15N 82.5-86
- An expanded range may be available on special order. Please enquire.
- PH 15-7/17-7 Stainless Steel and 1.4310 Stainless Steel
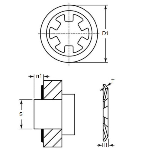
Product Data
- Min shaft size (s1)
:
4.67
mm
(Equiv. 0.184 in.) - Max Shaft Size (s2)
4.88
mm
(Equiv. 0.192 in.) - Outside diameter (D1)
11.00
mm
(Equiv. 0.433 in.) - Min shaft extension (n1) 1.57 mm
- Material Thickness (t) 0.25 mm
- Material Stainless Steel Grade PH15-7-17
Product Compliance and Data
Additional Resources
Cross References
- Waldes 5115-018-SS
- NoCor TX-018-SS
- Rotor Clip TX-018-SS
- N1465018SS
- N1465-018-SS
- TX018SS
- 5115018SS


