
Miniature Bearings Australia
DVWS4-ADJ-ZZ - Datasheet
MBA
Category Information
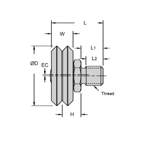
Dual Vee - Studded Guide WheelsStudded Guide Wheels Dual Vee. Vee grooved track roller guide wheels.
- An expanded range may be available on special order. Please enquire.
- Match with correct Track Size.
- Note! OD is reference only. Allow up to 1.2 mm larger than listed.
Product Data
- Size Reference : 4
- Outside Diameter (O.D) 
59.9
mm
 (Equiv. 2.358 in.)
- Journal Width (W) 
19.05
mm
 (Equiv. 0.75 in.)
- Overall Length (L) 44.9 mm
- Wheel Type Adjustable
- Offset Value (EC) 2.01 mm
- Static Load (Radial / Axial) 990 / - kg
- Thread Size x Length (l2) M12 x 1.75 x 19.0
- Bearing Type Metal Shielded
- Material Chrome Steel SAE 52100 with Shields
Product Compliance and Data
Additional Resources
Cross References
- WZ414
- WZ-414
 
 
 


