
Miniature Bearings Australia
REF-040-L-CB - Datasheet
MBA
Category Information
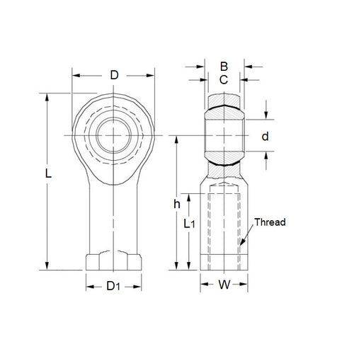
Rod Ends - Female - Steel - Plain - Bronze LinedBronze Lined Plain Steel Female Rod Ends. Imperial and Metric / Carbon Steel. Also known as Heim Joints
- An expanded range may be available on special order. Please enquire.
- Dimensions not shown are available on request.
Product Data
- Eye Size (d1)
:
4
mm
(Equiv. 0.157 in.) - Overall Length (L)
31.00
mm
(Equiv. 1.22 in.) - Thread Size (T) M4x0.7 Left
- Thread Length (l2) 12.00 mm
- Head Width (W) 5.30 mm
- Eye Width (W1) 7.00 mm
- Head Diameter (D) 14.00 mm
- Centre Height (l1) 24.00 mm
- Grease Nipple No
- Body Width/Flange Width(W2/D3) 8.00 / 9.50 mm
- Material Bronze Lined Steel
Product Compliance and Data
Additional Resources
Cross References
- IKO PHS4L
- Nachi PHS-4L



