
Miniature Bearings Australia
CC-042-048-C - Datasheet
MBA
Category Information
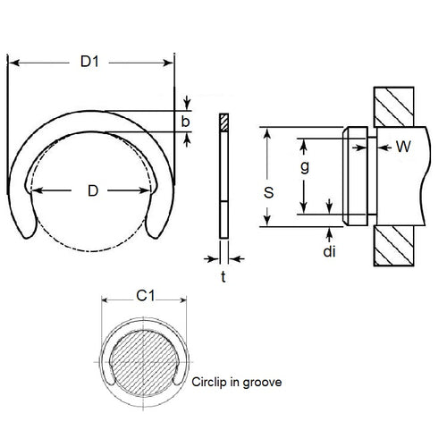
Retaining Rings - CrescentCrescent Retaining Rings. Variation of an E-Clip with an open face. Also known as a C-Clip.
- Narrow section height provides good clearance capabilities.
- Absence of teeth and deep set mean less thrust load ratings than e-clips.
- For best results install using the recommended applicator tool.
Product Data
- Groove Diameter (G)
:
4.19
mm
(Equiv. 0.165 in.) - Shaft Diameter (S)
4.78
mm
(Equiv. 0.188 in.) - Thickness (t)
0.38
mm
(Equiv. 0.015 in.) - Clip OD in groove (C1) 6.35 mm
- Clip OD Loose (D1) 6.20 mm
- Groove Width (W) 0.46
- Material Carbon Spring Steel Self Finish
Product Compliance and Data
Additional Resources
Cross References
- Military 16632-018
- Military 16632-018/B
- Military 16632-018-B
- Waldes 5103-018
- Waldes 5103-018/B
- Waldes 5103-018-B
- Ellison 9103-018
- Ellison 9103-018/B
- Ellison 9103-018-B
- NoCor C-018
- Rotor Clip C-018
- NoCor C-018/B
- Rotor Clip C-018/B
- NoCor C-018-B
- Rotor Clip C-018-B
- N1800-018-B
- N1800018
- N1800018/B
- N1800-018/B
- N1800018B
- N1800-0018APP
- N18000018APP
- 16632018/B
- 16632018B
- 9103018B
- 9103018/B
- 5103018B
- 5103018/B
- C018B
- C018/B


