
Miniature Bearings Australia
PUI008-0320-060-AZS440 - Datasheet
MBA
Category Information
Pulleys - U Groove Idler - Double Row - AluminiumAluminium Double Row U Groove Idler Pulleys. Aluminium with Stainless Ball Bearings
- Use with round belts such as Round Seamless Urethane or O-Rings
- Also used to run on round shafting or curved tracks
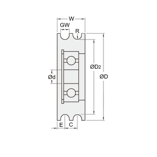
Product Data
- Maximum Cable Diameter (H)
:
4.0
mm
(Equiv. 0.157 in.) - Outside Diameter (OD)
32.0
mm
(Equiv. 1.26 in.) - Bore (A)
6.000
mm
(Equiv. 0.236 in.) - Body Width 13.0 mm
- Overall Width (OAL) 13.0
- Dia. to Base of Groove (B) 26 mm
- Centre Spacing 6
- Type Stainless 440 Shielded Precision Ball Bearing
- Groove Radius (R) 2.1
- Material Aluminium - Electroless Nickel Plated
Product Compliance and Data
Additional Resources
Cross References
- MBXA3021


