
Miniature Bearings Australia
DVWS3-ADJ-2RS - Datasheet
MBA
Category Information
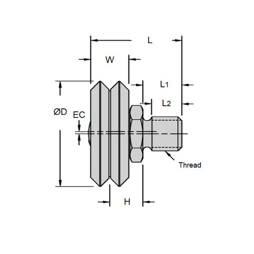
Dual Vee - Studded Guide WheelsStudded Guide Wheels Dual Vee. Vee grooved track roller guide wheels.
- An expanded range may be available on special order. Please enquire.
- Match with correct Track Size.
- Note! OD is reference only. Allow up to 1.2 mm larger than listed.
Product Data
- Size Reference : 3
- Outside Diameter (O.D) 
45.8
mm
 (Equiv. 1.803 in.)
- Journal Width (W) 
15.88
mm
 (Equiv. 0.625 in.)
- Overall Length (L) 36.7 mm
- Wheel Type Adjustable
- Offset Value (EC) 1.50 mm
- Static Load (Radial / Axial) 600 / - kg
- Thread Size x Length (l2) M10 x 1.5 x 15.1
- Bearing Type Rubber Sealed
- Material Chrome Steel SAE 52100 with Seals
Product Compliance and Data
Additional Resources
Cross References
- WZ-418
- WZ418
 
 
 


