
Miniature Bearings Australia
MR45.720-12-ZZ-VP-8.128 - Datasheet
MBA
Category Information
Dual Vee - Plain Guide WheelsPlain Guide Wheels Dual Vee. Vee grooved track roller guide wheels with Abec 5 precision bearings.
- An expanded range may be available on special order. Please enquire.
- Match with correct Track Size.
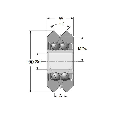
Product Data
- Size Reference : 3
- Outside Diameter (O.D) 
45.720
mm
 (Equiv. 1.8 in.)
- Journal Width (W) 
15.875
mm
 (Equiv. 0.625 in.)
- Groove Top Width (A) 8.128 mm
- Bore (d) 12.000 mm
- Bottom of Groove to Ctre (MDw) 19.05 mm
- Radial Working Load Capacity 338 KgF
- Axial Working Load Capacity 186 KgF
- Bearing Type Shielded Bearing
- Material Chrome Steel SAE 52100
Product Compliance and Data
Additional Resources
Cross References
- Dual Vee W3
- WZ13
- WZ-13
- A7Q16M3
 
 
 


