
Miniature Bearings Australia
BF0030-0042-0042-PC2 - Datasheet
MBA
Category Information
Bushes - Clip - Double FlangedDouble Flanged Clip Bushes. For use with sheet metal. Used as a light duty split bearing.
- Low clearance. Maintenance free. Economical. High Precision. High wear resistance.
- Light weight
- M250 Polymer minus 40 Deg C to 80 Deg C (minus 40 Deg F to 176 Deg F)
Product Data
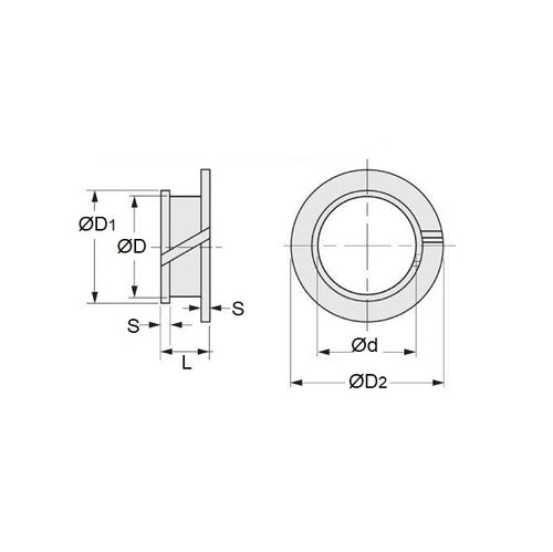
- Nominal Inside Diameter (d)
:
3.000
mm
(Equiv. 0.118 in.) - Nominal Outside Diameter (D)
4.200
mm
(Equiv. 0.165 in.) - Overall Length
4.200
mm
(Equiv. 0.165 in.) - Large Flange Dia 6.000 mm
- Flange Width (S) 0.6 mm
- Small Flange Dia 4.800 mm
- Min Housing Bore 4.020 mm
- Max Housing Bore 4.200 mm
- Min Shaft Size 2.975 mm
- Max Shaft Size 3.000 mm
- Sheet Metal Thickness 2.45 to 2.92
- Material Plastic
Product Compliance and Data
Additional Resources
- DU Bush Material Information
- General Bushes Catalogue
- Sintered Bronze Products Catalogue
- Solid Bronze Bushes catalogue
Cross References
- 7817K52
- S99GMCM0304842



