
Miniature Bearings Australia
CLP-381-0956-CZ - Datasheet
MBA
Category Information
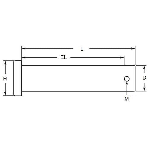
Pins - Clevis - Pin Locking - Zinc PlatedZinc Plated Pin Locking Clevis Pins. Match with a suitable R-Clip or Spilt Pin - pin size shown in listings
- In addition to retaining parts on a shaft or axle, clevis pins can also be used as light duty axles, spring holders or even fishing line weights.
- Sinc plated low carbon steel
Product Data
- Nominal Pin Diameter (D)
:
38.10
mm
- 0.10 / - 0.45
(Equiv. 1.5 in.) - Grip Length (EL)
95.64
mm
+ 0.51 / - 0.00
(Equiv. 3.765 in.) - Nom. Length (L)
101.60
mm
+ 0.51 / - 0.00
(Equiv. 4 in.) - Ret. Pin Dia. (M) 5.0 mm
- Material Zinc Plated Low Carbon Steel
Product Compliance and Data
Additional Resources
Cross References
- NoCor CLPZ-1500-4000
- CLP3810956Z
- CLPZ15004000



