
Miniature Bearings Australia
BP0381-0508-0635-BC9 - Datasheet
MBA
Category Information
Bushes - Unflanged - Bronze - SolidSolid Bronze Unflanged Bushes. Solid precision leaded gunmetal bronze bushes. C93200 as indicated in the listings.
- An expanded range may be available on special order. Please enquire.
- Composition (Approx.) : Copper 81%, Tin 7%, Zinc 4%, Lead 6%, Nickel 2%.
- Hardness : 70-90 BHN.
Product Data
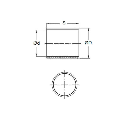
- Nominal Inside Diameter (d)
:
38.100
mm
+/- 0.0254
(Equiv. 1.5 in.) - Nominal Outside Diameter (D)
50.800
mm
+ 0.051 / + 0.0762
(Equiv. 2 in.) - Length (s)
63.500
mm
+/- 0.127
(Equiv. 2.5 in.) - Material Bronze C93200
Product Compliance and Data
Additional Resources
- DU Bush Material Information
- General Bushes Catalogue
- Sintered Bronze Products Catalogue
- Solid Bronze Bushes catalogue
Cross References
- 6381K312
- Gobeil BB-2432-40
- Century CB-2432-20
- Flocast TB1020
- BNT293
- BNT-293
- BB243240
- CB243220


