
Miniature Bearings Australia
BP0381-0460-0413-BSHT - Datasheet
MBA
Category Information
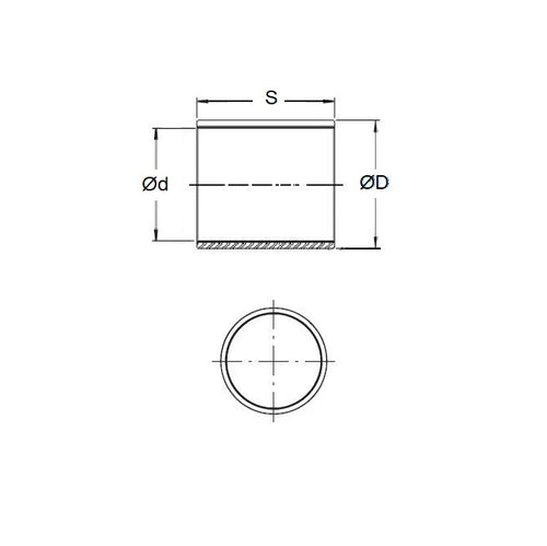
Bushes - Unflanged - Bronze - SinteredSintered Bronze Unflanged Bushes. Oil impregnated sintered bronze bushes.
- An expanded range may be available on special order. Please enquire.
- Precision items show an allowable Load Speed Rating in Newtons times RPM.
Product Data
- Nominal Inside Diameter (d)
:
38.100
mm
+ 0.076 / + 0.102
(Equiv. 1.5 in.) - Nominal Outside Diameter (D)
46.038
mm
+ 0.051 / + 0.089
(Equiv. 1.813 in.) - Length (s)
41.275
mm
+/- 0.190
(Equiv. 1.625 in.) - Material Bronze SAE 841 Sintered
Product Compliance and Data
Additional Resources
- DU Bush Material Information
- General Bushes Catalogue
- Sintered Bronze Products Catalogue
- Solid Bronze Bushes catalogue
Cross References
- Bunting EP242926
- Daemar P-151-13
- Oilube P-151-13
- Symmco SS-4858-26
- P15113
- BP038104600413BS
- BP038104600413BSH
- BP038104600413BSHH
- A7B4-SP485813
- A7B4SP485813
- SS485826


