
Miniature Bearings Australia
BP0381-0460-0254-BSHT - Datasheet
MBA
Category Information
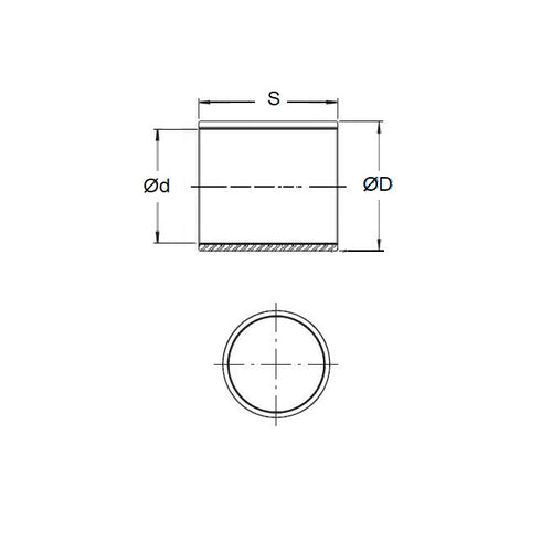
Bushes - Unflanged - Bronze - SinteredSintered Bronze Unflanged Bushes. Oil impregnated sintered bronze bushes.
- An expanded range may be available on special order. Please enquire.
- Precision items show an allowable Load Speed Rating in Newtons times RPM.
Product Data
- Nominal Inside Diameter (d)
:
38.100
mm
+ 0.076 / + 0.102
(Equiv. 1.5 in.) - Nominal Outside Diameter (D)
46.038
mm
+ 0.051 / + 0.089
(Equiv. 1.813 in.) - Length (s)
25.400
mm
+/- 0.127
(Equiv. 1 in.) - Material Bronze SAE 841 Sintered
Product Compliance and Data
Additional Resources
- DU Bush Material Information
- General Bushes Catalogue
- Sintered Bronze Products Catalogue
- Solid Bronze Bushes catalogue
Cross References
- Bunting EP242916
- Daemar P-151-8
- Oilube P-151-8
- Symmco SS-4858-16
- P1518
- BP038104600254BSH
- BP038104600254BSHH
- A7B4SP485808
- A7B4-SP485808
- SS485816


