
Miniature Bearings Australia
BP0381-0445-0508-PRJ - Datasheet
MBA
Category Information
Bushes - Unflanged - Plastic - Rulon JRulon J Plastic Unflanged Bushes. Max Load: 5.2 MPa (750 psi). Gold colour. Max surface speed: 2m/s. Max PV: 0.26 (Mpa x m/s)
- An expanded range may be available on special order. Please enquire.
- Non Metallic Bushes. Excellent insulator. Nor suitable for steam or wet conditions. Not FDA compliant. Suitable for dry conditions or vacuum.
- 288 oC (550 Deg F) Maximum Working Temperature.
- Patented all polymeric PTFE compound which operates well against soft mating surfaces.
- Lowest co-efficient of friction in the Rulon(R) product range.
Product Data
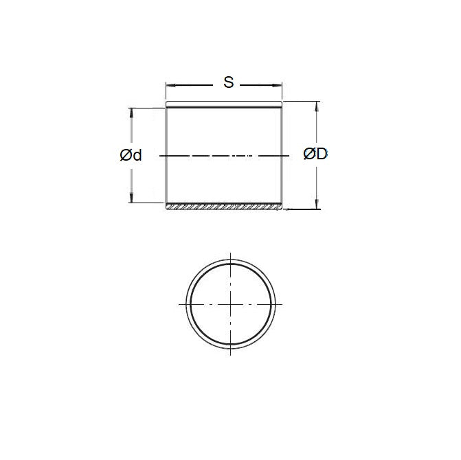
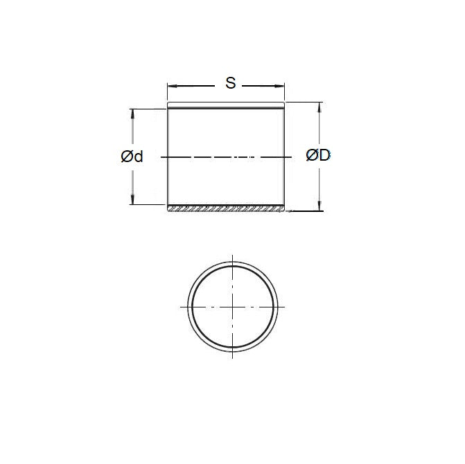
- Nominal Inside Diameter (d)
:
38.100
mm
+ 0.25 / + 0.30
(Equiv. 1.5 in.) - Nominal Outside Diameter (D)
44.450
mm
+ 0.10 / + 0.15
(Equiv. 1.75 in.) - Length (s)
50.800
mm
+ 0.00 / - 0.25
(Equiv. 2 in.) - Rec. Housing Bore 44.450 / 44.425 mm
- Rec. Shaft Size 38.100 / 38.075
- Material Rulon J
Product Compliance and Data
Additional Resources
- DU Bush Material Information
- General Bushes Catalogue
- Sintered Bronze Products Catalogue
- Solid Bronze Bushes catalogue
Cross References
- 6377K58
- Rulon DRJS-2428-16-J
- DRJS242816J



