
Miniature Bearings Australia
BP0381-0445-0191-BSHT2 - Datasheet
MBA
Category Information
Bushes - Unflanged - Bronze - SinteredSintered Bronze Unflanged Bushes. Oil impregnated sintered bronze bushes.
- An expanded range may be available on special order. Please enquire.
- Precision items show an allowable Load Speed Rating in Newtons times RPM.
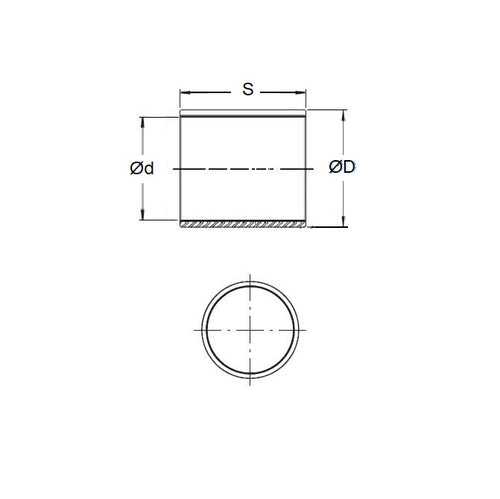
Product Data
- Nominal Inside Diameter (d)
:
38.100
mm
+ 0.076 / + 0.102
(Equiv. 1.5 in.) - Nominal Outside Diameter (D)
44.450
mm
+ 0.064 / + 0.102
(Equiv. 1.75 in.) - Length (s)
19.050
mm
+/- 0.127
(Equiv. 0.75 in.) - Material Bronze SAE 841 Sintered
Product Compliance and Data
Additional Resources
- DU Bush Material Information
- General Bushes Catalogue
- Sintered Bronze Products Catalogue
- Solid Bronze Bushes catalogue
Cross References
- Bunting EP242812
- Daemar P-150-6
- Oilube P-150-6
- Symmco SS-4856-12
- P1506
- BP038104450191BSH
- BP038104450191BSHH
- BP038104450191BSHH1
- A7B4SP485606
- A7B4-SP485606
- SS485612


