
Miniature Bearings Australia
PPV-J-038-06-0159 - Datasheet
MBA
Category Information
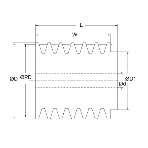
Pulleys - Poly V - J Section - Through BoredThrough Bored J Section Poly V Pulleys. Poly V pulley with a plain through bore.
- Poly V pulley, also known as a multi-rib or serpentine pulley, is a type of pulley designed to work with a poly V-belt.
- Features multiple V-shaped grooves that correspond to the ribs on the belt, allowing for efficient and reliable power transmission in compact systems.
- Poly V drives are ideal for high ratio drives and high speeds.
- J Section is 2.34mm pitch and 3.56mm belt height
Product Data
- Outside Diameter (OD)
:
38.10
mm
(Equiv. 1.5 in.) - Grooves
6
mm
(Equiv. 0.236 in.) - Pitch Diameter (PD) 38.86
- Overall Width 30.18 mm
- Bore 15.875
- Material Steel
Product Compliance and Data
Additional Resources
Cross References
- Gates 6J150X5-8
- 6J150X58


