
Miniature Bearings Australia
NCF50RS - Datasheet
MBA
Category Information
Cam Followers - Bronze Bushing Self LubricatingBronze Bushing Self Lubricating Cam Followers. This is the main category in this series
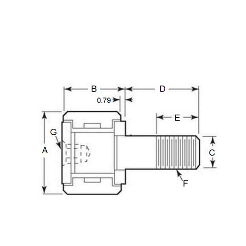
Product Data
- Diameter (A)
:
38.100
mm
(Equiv. 1.5 in.) - Length
60.325
mm
(Equiv. 2.375 in.) - Thread (F) 5/8-18 UNF
- Thread Length (E) 19.050 mm
- Roller Width (B) 22.225 mm
- Material Steel and Bronze
Product Compliance and Data
Additional Resources
Cross References
- NCF-50
- NCF50



