
Miniature Bearings Australia
CCF460RS - Datasheet
MBA
Category Information
Roller Followers - StandardStandard Roller Followers. This is the main category in this series
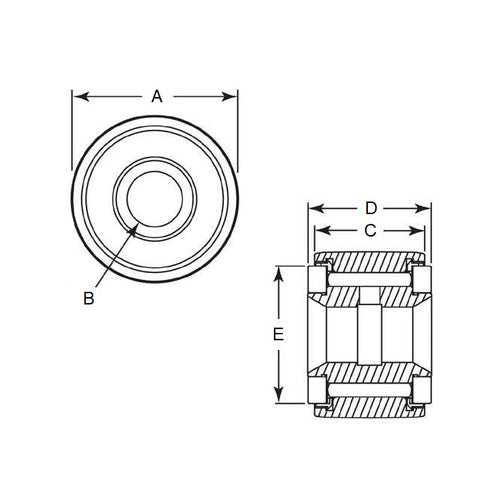
Product Data
- Diameter (A)
:
38.100
mm
(Equiv. 1.5 in.) - Overall Width (D)
23.813
mm
(Equiv. 0.938 in.) - Bore (B)
11.113
mm
(Equiv. 0.438 in.) - Width (C) 22.225 mm
- E 28.575 mm
- Dynamic Load Rating 1973.127 kg
- Static Load Rating 5080.235 kg
- Material Stainless Steel
Product Compliance and Data
Additional Resources
Cross References
- 7796K84
- CCF460
- CCF-460



