
Miniature Bearings Australia
IP-255RS - Datasheet
MBA
Category Information
Housing and Bearing Assembly - Flanged 2 Bolt - Rigid - Plastic and SteelPlastic and Steel Rigid Flanged 2 Bolt Housing and Bearing Assembly. Thermoplastic housed units offer a more favourable economic choice. Hard chrome inserts offer an intermediate level of corrosion resistance.
- Bearing housing assemblies combine matching parts already assembled. Bearings in this range refer to either ball bearings or plain bearings. Refer to the listings for each type.
- Flanged mounting allows for a shaft to run through a bulkhead to which the housing is mounted, or to have a shaft mounted perpendicular to a metal frame.
- Operating temperature minus 20 oC to +95 deg C
- Thermoplastic hosuings are offwhite and are made from glass reinforced PBT resin. Favourable chemical resistance. Very resistant to moisture absorption.
- Excellent mechanical, thermal and electrical properties.
- All sleeves, bushings and grease fittings are 300 grade stainless steel.
Product Data
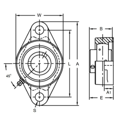
- Nominal Shaft Size
:
38.100
mm
(Equiv. 1.5 in.) - Width (W)
51.968
mm
(Equiv. 2.046 in.) - Overall Length (A)
174.625
mm
(Equiv. 6.875 in.) - Overall Height (E) 51.968 mm
- Base Height (D) 19.840 mm
- Material Thermoplastic and Chrome Steel
Product Compliance and Data
Additional Resources


