
Miniature Bearings Australia
BP0365-0445-0762-BSHT2 - Datasheet
MBA
Category Information
Bushes - Unflanged - Bronze - SinteredSintered Bronze Unflanged Bushes. Oil impregnated sintered bronze bushes.
- An expanded range may be available on special order. Please enquire.
- Precision items show an allowable Load Speed Rating in Newtons times RPM.
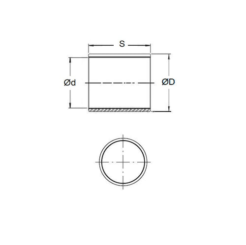
Product Data
- Nominal Inside Diameter (d)
:
36.513
mm
+ 0.089 / + 0.114
(Equiv. 1.438 in.) - Nominal Outside Diameter (D)
44.450
mm
+ 0.064 / + 0.102
(Equiv. 1.75 in.) - Length (s)
76.200
mm
+/- 0.190
(Equiv. 3 in.) - Material Bronze SAE 841 Sintered
Product Compliance and Data
Additional Resources
- DU Bush Material Information
- General Bushes Catalogue
- Sintered Bronze Products Catalogue
- Solid Bronze Bushes catalogue
Cross References
- Bunting EP232848
- Daemar P-144-24
- Oilube P-144-24
- Symmco SS-4656-48
- P14424
- BP036504450762BSHH
- A7B4-SP465624
- A7B4SP465624
- SS465648


