
Miniature Bearings Australia
IP-211RS - Datasheet
MBA
Category Information
Housing and Bearing Assembly - Offset - Thermoplastic and StainlessThermoplastic and Stainless Offset Housing and Bearing Assembly. Thermoplastic housed units offer an economical alternative with good chemical and washdown resistance.
- Bearing housing assemblies combine matching parts already assembled. Bearings in this range refer to either ball bearings or plain bearings. Refer to the listings for each type.
- Offset type have the mounting holes adjacent to the bearing shaft.
- Food grade.
- Thermoplastic housings are off-white and are made from glass reinforced PBT resin.
- Excellent mechanical, thermal and electrical properties.
- Operational temperature -20 to +100 oC
- Bearings are 440C stainless steel. Bushings and grease fittings are 300 grade stainless steel.
Product Data
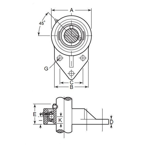
- Inside Diameter
:
36.513
mm
(Equiv. 1.438 in.) - Centre Height (A)
95.250
mm
(Equiv. 3.75 in.) - Length (B)
88.900
mm
(Equiv. 3.5 in.) - Width (C) 50.800 mm
- Foot Height (D) 16.272 mm
- Bolt Centres (E) 44.847 mm
- Bolt Hole Size (G) 13.097 mm
- Height (H) 17.501 mm
Product Compliance and Data
Additional Resources



