
Miniature Bearings Australia
GE-03500-06200-ST-OH - Datasheet
MBA
Category Information
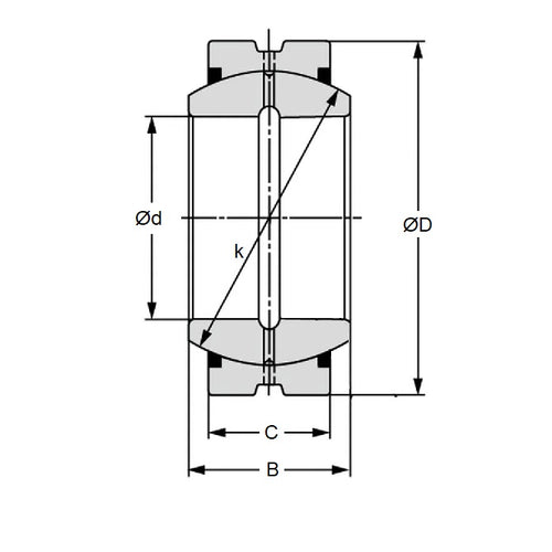
Bushings - Spherical - Steel - With Oil HoleWith Oil Hole Steel Spherical Bushings. Steel spherical plain bearings. Also known as ball bushings.
- Compensates for axial loads and misalignment.
Product Data
- Bore (d1)
:
35.000
mm
(Equiv. 1.378 in.) - OD (d2)
62.000
mm
(Equiv. 2.441 in.) - Width (B)
35.000
mm
(Equiv. 1.378 in.) - Outer Width (C) 22.00 mm
- Dynamic Load Capacity 11700 kgf
- Static Load Capacity 70000 kgf
- Features No Wiper Seals / With Oil Hole
- Material Steel
Product Compliance and Data
Additional Resources
Cross References
- IKO GE35GS
- Nachi GE-35GS



