
Miniature Bearings Australia
GE-03500-05500-ST-OH-SP - Datasheet
MBA
Category Information
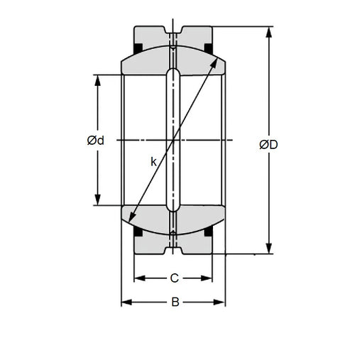
Bushings - Spherical - Steel - With Oil HoleWith Oil Hole Steel Spherical Bushings. Steel spherical plain bearings. Also known as ball bushings.
- Compensates for axial loads and misalignment.
Product Data
- Bore (d1)
:
35.000
mm
(Equiv. 1.378 in.) - OD (d2)
55.000
mm
(Equiv. 2.165 in.) - Width (B)
30.000
mm
(Equiv. 1.181 in.) - Outer Width (C) 26.00 mm
- Dynamic Load Capacity 13000 kgf
- Static Load Capacity 78000 kgf
- Features Spring and oil Hole on OD
- Material Steel
Product Compliance and Data
Additional Resources
Cross References
- IKO SB-355530
- SB355530



