
Miniature Bearings Australia
GE-03500-05500-ST-W - Datasheet
MBA
Category Information
Bushings - Spherical - Steel - With Wiper SealWith Wiper Seal Steel Spherical Bushings. Steel spherical plain bearings. Also known as ball bushings.
- Compensates for axial loads and misalignment.
Product Data
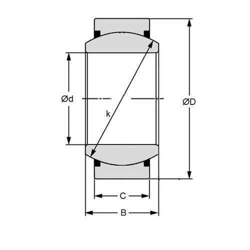
- Bore (d1)
:
35.000
mm
(Equiv. 1.378 in.) - OD (d2)
55.000
mm
(Equiv. 2.165 in.) - Width (B)
25.000
mm
(Equiv. 0.984 in.) - Outer Width (C) 20.00 mm
- Dynamic Load Capacity 9400 kgf
- Static Load Capacity 23500 kgf
- Features With Wiper Seals / No Oil Hole
- Material Steel
Product Compliance and Data
Additional Resources
Cross References
- Nachi GE-35EC-2RS
- IKO GE35EC-2RS
- Nachi GE-35EC-RS
- IKO GE35EC-RS
- GE35EC2RS
- GE35ECRS



