
Miniature Bearings Australia
BTU0034-016-TS-C - Datasheet
MBA
Category Information
Ball Transfer Units - Screw Stem - Steel - PrecisionPrecision Steel Screw Stem Ball Transfer Units. This is the main category in this series
- Single ball bearing units for conveyor systems
- Applications include measuring equipment and light weight coil handlers. Guides for small linear motion (eg. photocopier slides). Transfer of material in clean rooms.
- Max Load is applicable when used as a transfer, not as a castor
Product Data
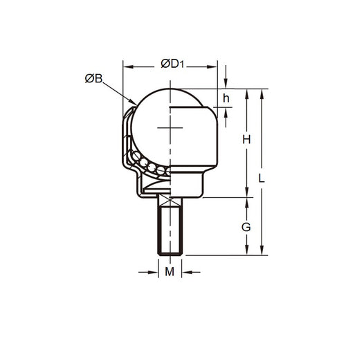
- Max Load : 34 kg
- Height from Base (B)
16
mm
(Equiv. 0.63 in.) - Body Diameter (D)
20.6
mm
(Equiv. 0.811 in.) - Overall Height (L) 35.8 mm
- Ball Diameter 12.7 mm
- Body Height (H) 16.0 mm
- Thread 5/16-24 UNF
- Stud Length (Sl) 16.3 mm
- 1 Type
- Material Steel
Product Compliance and Data
Additional Resources
Cross References
- Reid Tool® SKF-7110
- SKF7110


