
Miniature Bearings Australia
GE-03493-05556-ST-OH-W - Datasheet
MBA
Category Information
Bushings - Spherical - Steel - With Oil Hole and Wiper SealWith Oil Hole and Wiper Seal Steel Spherical Bushings. Steel spherical plain bearings. Also known as ball bushings.
- Compensates for axial loads and misalignment.
Product Data
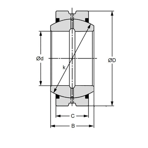
- Bore (d1)
:
34.930
mm
(Equiv. 1.375 in.) - OD (d2)
55.560
mm
(Equiv. 2.187 in.) - Width (B)
30.150
mm
(Equiv. 1.187 in.) - Outer Width (C) 26.19 mm
- Dynamic Load Capacity 12800 kgf
- Static Load Capacity 77000 kgf
- Features With Wiper Seals / With Oil Hole
- Material Steel
Product Compliance and Data
Additional Resources
Cross References
- Nachi SBB-22-2RS
- IKO SBB22-2RS
- Nachi SBB-22-RS
- IKO SBB22-RS
- SBB222RS
- SBB2RS
- SBB22RS



