
Miniature Bearings Australia
BP0349-0445-0508-BSHT1 - Datasheet
MBA
Category Information
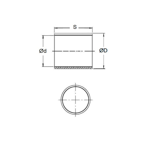
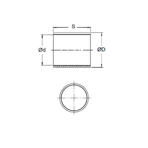
Bushes - Unflanged - Bronze - SinteredSintered Bronze Unflanged Bushes. Oil impregnated sintered bronze bushes.
- An expanded range may be available on special order. Please enquire.
- Precision items show an allowable Load Speed Rating in Newtons times RPM.
Product Data
- Nominal Inside Diameter (d)
:
34.925
mm
+ 0.076 / + 0.102
(Equiv. 1.375 in.) - Nominal Outside Diameter (D)
44.450
mm
+ 0.064 / + 0.102
(Equiv. 1.75 in.) - Length (s)
50.800
mm
+/- 0.190
(Equiv. 2 in.) - Material Bronze SAE 841 Sintered
Product Compliance and Data
Additional Resources
- DU Bush Material Information
- General Bushes Catalogue
- Sintered Bronze Products Catalogue
- Solid Bronze Bushes catalogue
Cross References
- 6391K669
- Bunting EP222832
- Daemar P-138-16
- Oilube P-138-16
- Symmco SS-4456-32
- P13816
- BP034904450508BS
- BP034904450508BSH
- BP034904450508BSHH
- A7B4-SP445616
- A7B4SP445616
- SS445632


