
Miniature Bearings Australia
BP0349-0413-0508-BSHT2 - Datasheet
MBA
Category Information
Bushes - Unflanged - Bronze - SinteredSintered Bronze Unflanged Bushes. Oil impregnated sintered bronze bushes.
- An expanded range may be available on special order. Please enquire.
- Precision items show an allowable Load Speed Rating in Newtons times RPM.
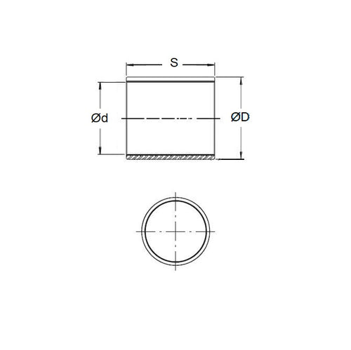
Product Data
- Nominal Inside Diameter (d)
:
34.925
mm
+ 0.076 / + 0.102
(Equiv. 1.375 in.) - Nominal Outside Diameter (D)
41.275
mm
+ 0.064 / + 0.102
(Equiv. 1.625 in.) - Length (s)
50.800
mm
+/- 0.190
(Equiv. 2 in.) - Material Bronze SAE 841 Sintered
Product Compliance and Data
Additional Resources
- DU Bush Material Information
- General Bushes Catalogue
- Sintered Bronze Products Catalogue
- Solid Bronze Bushes catalogue
Cross References
- 6391K438
- Symmco SS-4452-32
- BP034904130508BS
- BP034904130508BSHH2
- A7B4-SP445216
- A7B4SP445216
- SS445232


