
Miniature Bearings Australia
BP0349-0413-0254-BSHT2 - Datasheet
MBA
Category Information
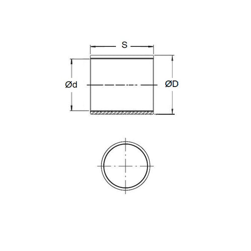
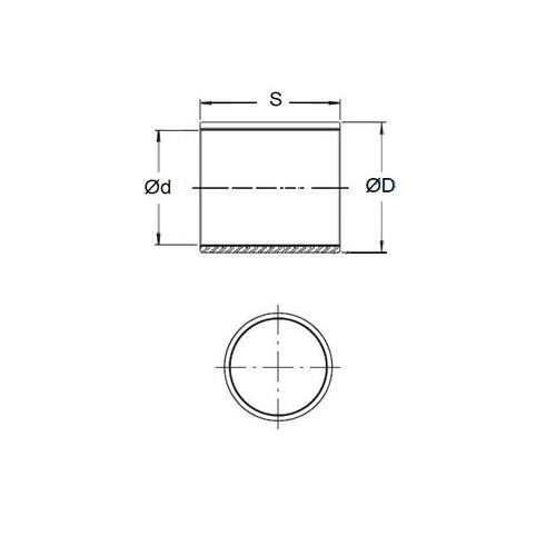
Bushes - Unflanged - Bronze - SinteredSintered Bronze Unflanged Bushes. Oil impregnated sintered bronze bushes.
- An expanded range may be available on special order. Please enquire.
- Precision items show an allowable Load Speed Rating in Newtons times RPM.
Product Data
- Nominal Inside Diameter (d)
:
34.925
mm
+ 0.076 / + 0.102
(Equiv. 1.375 in.) - Nominal Outside Diameter (D)
41.275
mm
+ 0.064 / + 0.102
(Equiv. 1.625 in.) - Length (s)
25.400
mm
+/- 0.127
(Equiv. 1 in.) - Material Bronze SAE 841 Sintered
Product Compliance and Data
Additional Resources
- DU Bush Material Information
- General Bushes Catalogue
- Sintered Bronze Products Catalogue
- Solid Bronze Bushes catalogue
Cross References
- 6391K436
- Bunting EP222616
- Daemar P-137-8
- Oilube P-137-8
- Symmco SS-4452-16
- P1378
- BP034904130254BSH
- BP034904130254BSHH
- A7B4-SP445208
- A7B4SP445208
- SS445216


