
Miniature Bearings Australia
BF0349-0222-0191-DS - Datasheet
MBA
Category Information
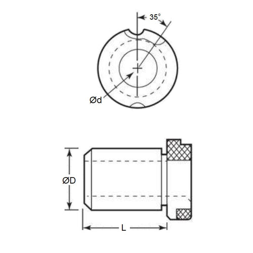
Bushings - Drill - Flanged - Slip FitSlip Fit Flanged Drill Bushings. Flanged slip fit selection. Harden steel
- Hardened metal component that provides a precise guide for cutting tools, ensuring accurate and repeatable hole placement in jigs and fixtures.
 - Constrains the drill bit, it reduces tool deflection and tool wear, leading to more consistent holes and longer tool life.
 - Hardness: RC 62-64
 - Permanently pressed into the jig plate creating a precise location point. Used with fixed or slip renewable bushings.
 
Product Data
- Outside Diameter (OD) 
:
34.925
mm
+ 0.0000 / - 0.0051
(Equiv. 1.375 in.) - Drill Size 
22.225
mm
+ 0.0051 / + 0.0152
(Equiv. 0.875 in.) - Length 
19.050
mm
(Equiv. 0.75 in.) - Material Carbon Steel
 
Product Compliance and Data
Additional Resources
Cross References
- BSF-31010
 - BSF31010
 


