
Miniature Bearings Australia
SUG-524RS - Datasheet
MBA
Category Information
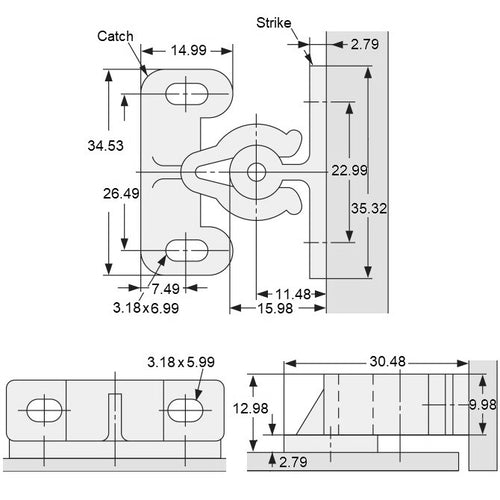
Catches - KnuckleKnuckle Catches. Strong and light polyacetal and polyamide. Holds cabinets secure with 7kg of pull force.
Product Data
- Catch Length
:
34.5
mm
(Equiv. 1.358 in.) - Catch Width
15
mm
(Equiv. 0.591 in.) - Catch Height
13
mm
(Equiv. 0.512 in.) - Strike Length 35.3 mm
- Strike Width 16 mm
- Strike Height 13 mm
- Push in Force 6 kg
- Pulling Force 7 kg
Product Compliance and Data
Additional Resources


