
Miniature Bearings Australia
CC-343-381-C - Datasheet
MBA
Category Information
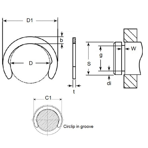
Retaining Rings - CrescentCrescent Retaining Rings. Variation of an E-Clip with an open face. Also known as a C-Clip.
- Narrow section height provides good clearance capabilities.
- Absence of teeth and deep set mean less thrust load ratings than e-clips.
- For best results install using the recommended applicator tool.
Product Data
- Groove Diameter (G)
:
34.29
mm
(Equiv. 1.35 in.) - Shaft Diameter (S)
38.10
mm
(Equiv. 1.5 in.) - Thickness (t)
1.27
mm
(Equiv. 0.05 in.) - Clip OD in groove (C1) 43.69 mm
- Clip OD Loose (D1) 42.95 mm
- Groove Width (W) 1.42
- Material Carbon Spring Steel Self Finish
Product Compliance and Data
Additional Resources
Cross References
- Military 16632-150
- Military 16632-150/B
- Military 16632-150-B
- Waldes 5103-150
- Waldes 5103-150/B
- Waldes 5103-150-B
- Ellison 9103-150
- Ellison 9103-150/B
- Ellison 9103-150-B
- NoCor C-150
- Rotor Clip C-150
- NoCor C-150/B
- Rotor Clip C-150/B
- NoCor C-150-B
- Rotor Clip C-150-B
- N18000150APP
- N1800-0150APP
- N1800150B
- N1800-150
- N1800-150-B
- N1800150/B
- N1800-150/B
- 16632150
- 16632150B
- 16632150/B
- 9103150/B
- 9103150B
- 5103150/B
- 5103150B
- C150B
- C150/B


