
Miniature Bearings Australia
RR-125 - Datasheet
MBA
Category Information
Retaining Rings - Internal - Spiral Rings - Medium Duty - Carbon SteelCarbon Steel Medium Duty Spiral Rings Internal Retaining Rings. Includes AI / WH / AS3217 / RR / MIL-R-27426B1 - Spring Steel
- An expanded range may be available on special order. Please enquire.
- Popular series that will accommodate light and medium bearing series thrust loads.
- Available in military and aerospace specifications.
- Equivalent to Associated Spring: AI, Smalley: WH, Spirolox and Ramsey: RR, Aerospace AS3217, MIL-R-27426B1
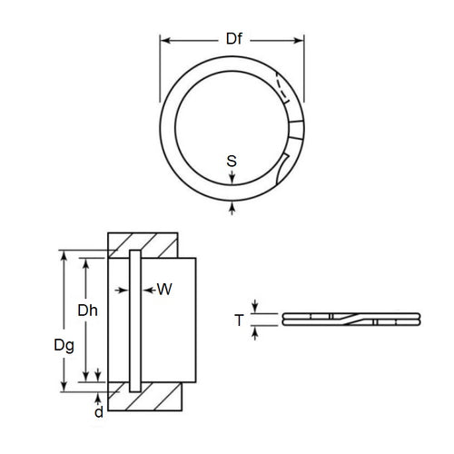
Product Data
- Housing Bore (B)
:
31.75
mm
(Equiv. 1.25 in.) - Clip Thickness (T)
1.09
mm
+/- 0.05
(Equiv. 0.043 in.) - Groove Dia. (Dg)
32.97
mm
(Equiv. 1.298 in.) - Approx. Loose Circlip OD (Dr) 33.15 mm + 0.38 / - 0.00
- Radial Wall (S) Approx. 2.16 mm +/- 0.10
- Groove Width (W) 1.27 mm +/- 0.10
- Approx. Loose Clip ID 28.83 +/- 0.05
- Groove Depth (d) 0.66
- Material Carbon Spring Steel
Product Compliance and Data
Additional Resources
Cross References
- 92602A170
- Associated Spring AI-125
- Smalley RR-125
- Spirolox RR-125
- Smalley WH-125
- Spirolox WH-125
- WH125
- AI125
- RR125


