
Miniature Bearings Australia
GE-03175-05080-ST-OH-W - Datasheet
MBA
Category Information
Bushings - Spherical - Steel - With Oil Hole and Wiper SealWith Oil Hole and Wiper Seal Steel Spherical Bushings. Steel spherical plain bearings. Also known as ball bushings.
- Compensates for axial loads and misalignment.
Product Data
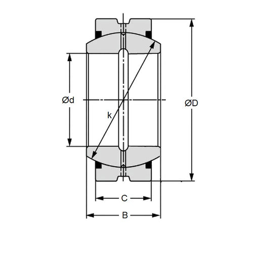
- Bore (d1)
:
31.750
mm
(Equiv. 1.25 in.) - OD (d2)
50.800
mm
(Equiv. 2 in.) - Width (B)
27.760
mm
(Equiv. 1.093 in.) - Outer Width (C) 23.80 mm
- Dynamic Load Capacity 10700 kgf
- Static Load Capacity 64300 kgf
- Features With Wiper Seals / With Oil Hole
- Material Steel
Product Compliance and Data
Additional Resources
Cross References
- Nachi SBB-20-2RS
- IKO SBB20-2RS
- Nachi SBB-20-RS
- IKO SBB20-RS
- SBB202RS
- SBB20RS



