
Miniature Bearings Australia
BP0318-0397-0318-BSTL - Datasheet
MBA
Category Information
Bushes - Unflanged - Bronze - SinteredSintered Bronze Unflanged Bushes. Oil impregnated sintered bronze bushes.
- An expanded range may be available on special order. Please enquire.
- Precision items show an allowable Load Speed Rating in Newtons times RPM.
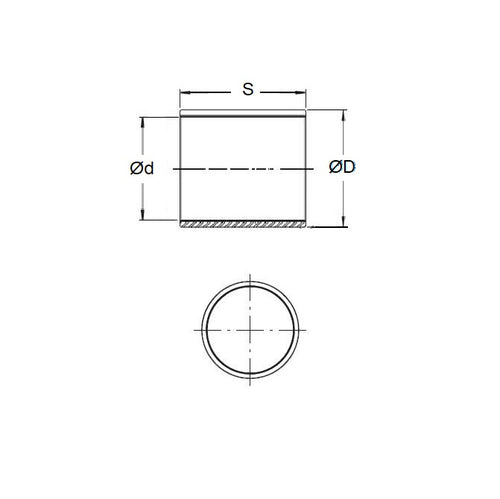
Product Data
- Nominal Inside Diameter (d)
:
31.750
mm
+ 0.025 / + 0.051
(Equiv. 1.25 in.) - Nominal Outside Diameter (D)
39.688
mm
+ 0.025 / + 0.064
(Equiv. 1.563 in.) - Length (s)
31.750
mm
+/- 0.127
(Equiv. 1.25 in.) - Material Bronze SAE 841 Sintered
Product Compliance and Data
Additional Resources
- DU Bush Material Information
- General Bushes Catalogue
- Sintered Bronze Products Catalogue
- Solid Bronze Bushes catalogue
Cross References
- Oilite AA1506-12
- Oilube AA1506-12
- BP031803970318BSSL
- BP031803970318BSTH
- BP031803970318BS-SL
- AA150612


