
Miniature Bearings Australia
BP0318-0381-0381-BSHH3 - Datasheet
MBA
Category Information
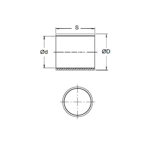
Bushes - Unflanged - Bronze - SinteredSintered Bronze Unflanged Bushes. Oil impregnated sintered bronze bushes.
- An expanded range may be available on special order. Please enquire.
- Precision items show an allowable Load Speed Rating in Newtons times RPM.
Product Data
- Nominal Inside Diameter (d)
:
31.750
mm
+ 0.051 / + 0.076
(Equiv. 1.25 in.) - Nominal Outside Diameter (D)
38.100
mm
+ 0.076 / + 0.102
(Equiv. 1.5 in.) - Length (s)
38.100
mm
+/- 0.127
(Equiv. 1.5 in.) - Material Bronze SAE 841 Sintered
Product Compliance and Data
Additional Resources
- DU Bush Material Information
- General Bushes Catalogue
- Sintered Bronze Products Catalogue
- Solid Bronze Bushes catalogue
Cross References
- 6391K292
- Bunting B-2024-12
- Oilube B-2024-12
- Shorlube C4048-4
- BNT-198
- BNT198
- BP031803810381BS
- BP031803810381BST
- BP031803810381BSHHH
- BP031803810381BSHH1
- A7B4SP404812
- A7B4-SP404812
- B202412
- C40484


