
Miniature Bearings Australia
BP0318-0381-0318-BSHH3 - Datasheet
MBA
Category Information
Bushes - Unflanged - Bronze - SinteredSintered Bronze Unflanged Bushes. Oil impregnated sintered bronze bushes.
- An expanded range may be available on special order. Please enquire.
- Precision items show an allowable Load Speed Rating in Newtons times RPM.
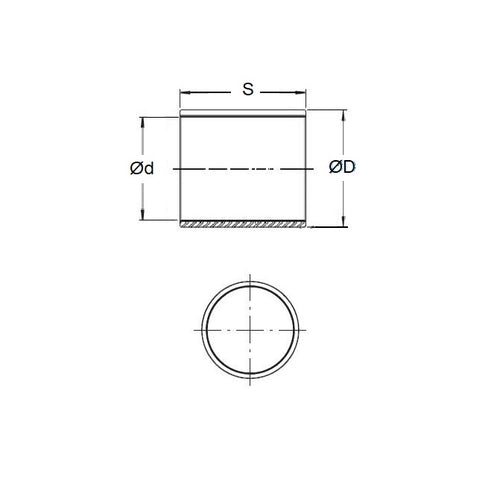
Product Data
- Nominal Inside Diameter (d)
:
31.750
mm
+ 0.076 / + 0.102
(Equiv. 1.25 in.) - Nominal Outside Diameter (D)
38.100
mm
+ 0.076 / + 0.102
(Equiv. 1.5 in.) - Length (s)
31.750
mm
+/- 0.127
(Equiv. 1.25 in.) - Material Bronze SAE 841 Sintered
Product Compliance and Data
Additional Resources
- DU Bush Material Information
- General Bushes Catalogue
- Sintered Bronze Products Catalogue
- Solid Bronze Bushes catalogue
Cross References
- 6391K291
- Shorlube C4048-3
- Symmco SS-4048-20
- BP031803810318BSHHH
- BP031803810318BST
- A7B4-SP404810
- A7B4SP404810
- SS404820
- C40483


