
Miniature Bearings Australia
BP0318-0381-0191-BSHH1 - Datasheet
MBA
Category Information
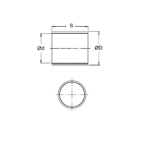
Bushes - Unflanged - Bronze - SinteredSintered Bronze Unflanged Bushes. Oil impregnated sintered bronze bushes.
- An expanded range may be available on special order. Please enquire.
- Precision items show an allowable Load Speed Rating in Newtons times RPM.
Product Data
- Nominal Inside Diameter (d)
:
31.750
mm
+ 0.051 / + 0.076
(Equiv. 1.25 in.) - Nominal Outside Diameter (D)
38.100
mm
+ 0.076 / + 0.102
(Equiv. 1.5 in.) - Length (s)
19.050
mm
+/- 0.127
(Equiv. 0.75 in.) - Material Bronze SAE 841 Sintered
Product Compliance and Data
Additional Resources
- DU Bush Material Information
- General Bushes Catalogue
- Sintered Bronze Products Catalogue
- Solid Bronze Bushes catalogue
Cross References
- 6391K293
- Shorlube C4048-1
- BNT196
- BNT-196
- BP031803810191BS
- BP031803810191BSH
- BP031803810191BSHH
- BP031803810191BSOO
- BP031803810191BST
- A7B4-SP404806
- A7B4SP404806
- C40481


