
Miniature Bearings Australia
NCF40RS - Datasheet
MBA
Category Information
Cam Followers - Bronze Bushing Self LubricatingBronze Bushing Self Lubricating Cam Followers. This is the main category in this series
Product Data
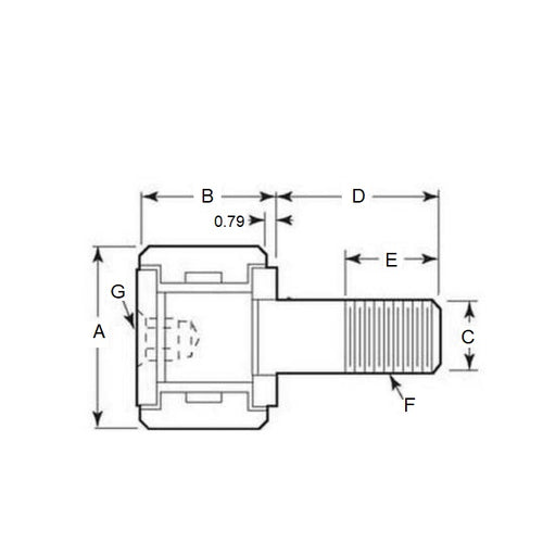
- Diameter (A)
:
31.750
mm
(Equiv. 1.25 in.) - Length
50.800
mm
(Equiv. 2 in.) - Thread (F) 1/2-20 UNF
- Thread Length (E) 15.875 mm
- Roller Width (B) 19.050 mm
- Material Steel and Bronze
Product Compliance and Data
Additional Resources
Cross References
- NCF40
- NCF-40



