
Miniature Bearings Australia
IP-280RS - Datasheet
MBA
Category Information
Housing and Bearing Assembly - Offset - Thermoplastic and SteelThermoplastic and Steel Offset Housing and Bearing Assembly. Thermoplastic housed units offer an economical alternative with good chemical and washdown resistance.
- Bearing housing assemblies combine matching parts already assembled. Bearings in this range refer to either ball bearings or plain bearings. Refer to the listings for each type.
- Offset type have the mounting holes adjacent to the bearing shaft.
- Thermoplastic housings are off-white and are made from glass reinforced PBT resin.
- Excellent mechanical, thermal and electrical properties.
- Operational temperature -20 to +100 oC
Product Data
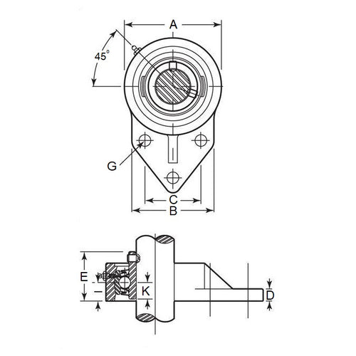
- Inside Diameter
:
31.75
mm
(Equiv. 1.25 in.) - Centre Height (A)
82.550
mm
(Equiv. 3.25 in.) - Length (B)
76.200
mm
(Equiv. 3 in.) - Width (C) 47.625 mm
- Foot Height (D) 13.494 mm
- Bolt Centres (E) 40.481 mm
- Bolt Hole Size (G) 9.922 mm
- Height (H) 15.900 mm
Product Compliance and Data
Additional Resources



