
Miniature Bearings Australia
E32306J - Datasheet
MBA
Category Information
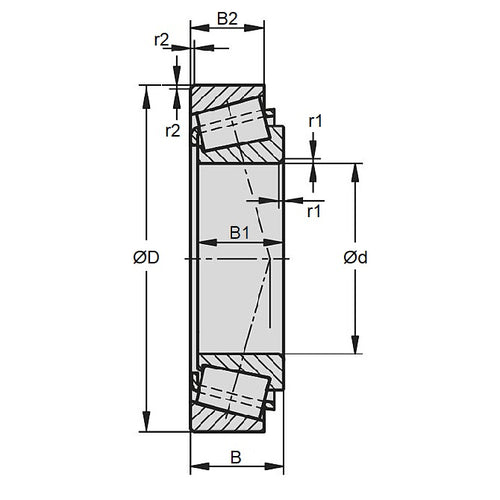
Bearings - Tapered Roller Set - Single Row - MetricMetric Single Row Tapered Roller Set Bearings. Includes cup and cone
- Tapered roller bearings provide for high thrust and axial loads, and are commonly used in automotive applications such as wheels, differentials and gearboxes.
- Matched sets include the cup and the cone.
- An expanded range may be available on special order. Please enquire.
Product Data
- Inside Diameter
:
30
mm
(Equiv. 1.181 in.) - Outside Diameter
72
mm
(Equiv. 2.835 in.) - Assembled Width
28.750
mm
(Equiv. 1.132 in.) - Cone Width 27 mm
- Cup Width 23 mm
- Radius Cone (min) 1.500 mm
- Radius Cup (min) 1.500 mm
- Basic Dynamic Load 80000 N
- Basic Static Load 88500 N
- Limiting Speed for Grease 5600
- Limiting Speed for Oil 7600
- Material Chrome Steel
Product Compliance and Data
Additional Resources
- Catalogue: Ceramic Bearings Catalogue
- Catalogue: Plastic Bearings Catalogue
- Catalogue: Standard Bearings Catalogue
- General: Bearing Cleanliness
- General: Bearing Clearances
- General: Bearing Flanges & Snap Rings
- General: Bearing Retainers (Cages)
- General: General Loads Information
- General: Lubrication
- General: Prefix & Suffix Guide
- General: Static vs Dynamic Loads
- Materials: 316 Stainless
- Materials: CASSTOP Anti-Corrosion Bearing Material
- Materials: Ceramic vs Ceramic Hybrid
- Materials: Ceramic Bearings in Vibratory Applications
- Materials: Ceramic Hybrid Bearings in Vibratory Applications
- Materials: General Bearing Materials
- Materials: Magnetism & Bearings
- Precision: 316 Stainless & Plastic Bearing Tolerances
- Precision: ABEC Basic Information
- Precision: Precision Bearing Tolerances
- Problem Solving: Bearing Failure
- Problem Solving: Fatigue (L10 Life)
- Problem Solving: Noise


