
Miniature Bearings Australia
GE-03000-06600-ST - Datasheet
MBA
Category Information
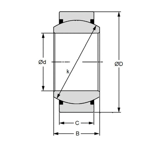
Bushings - Spherical - Steel - No Oil HoleNo Oil Hole Steel Spherical Bushings. Steel spherical plain bearings. Also known as ball bushings.
- Compensates for axial loads and misalignment.
Product Data
- Bore (d1)
:
30.000
mm
(Equiv. 1.181 in.) - OD (d2)
66.000
mm
(Equiv. 2.598 in.) - Width (B)
37.000
mm
(Equiv. 1.457 in.) - Outer Width (C) 25.00 mm
- Dynamic Load Capacity 6350 kgf
- Static Load Capacity 15200 kgf
- Features No Wiper Seals / No Oil Hole
- Material Steel
Product Compliance and Data
Additional Resources
Cross References
- IKO PB30
- Nachi PB-30



