
Miniature Bearings Australia
GE-03000-05500-ST-N-OH-W - Datasheet
MBA
Category Information
Bushings - Spherical - Steel - With Oil Hole and Wiper SealWith Oil Hole and Wiper Seal Steel Spherical Bushings. Steel spherical plain bearings. Also known as ball bushings.
- Compensates for axial loads and misalignment.
Product Data
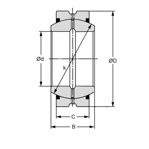
- Bore (d1)
:
30.000
mm
(Equiv. 1.181 in.) - OD (d2)
55.000
mm
(Equiv. 2.165 in.) - Width (B)
32.000
mm
(Equiv. 1.26 in.) - Outer Width (C) 20.00 mm
- Dynamic Load Capacity 9400 kgf
- Static Load Capacity 56400 kgf
- Features With Wiper Seals / With Oil Hole
- Material Steel
Product Compliance and Data
Additional Resources
Cross References
- Nachi GE-30GS-2RS
- IKO GE30GS-2RS
- Nachi GE-30GS-RS
- IKO GE30GS-RS
- GE30GS2RS
- GE30GSRS



