
Miniature Bearings Australia
GE-03000-05000-ST-OH - Datasheet
MBA
Category Information
Bushings - Spherical - Steel - With Oil HoleWith Oil Hole Steel Spherical Bushings. Steel spherical plain bearings. Also known as ball bushings.
- Compensates for axial loads and misalignment.
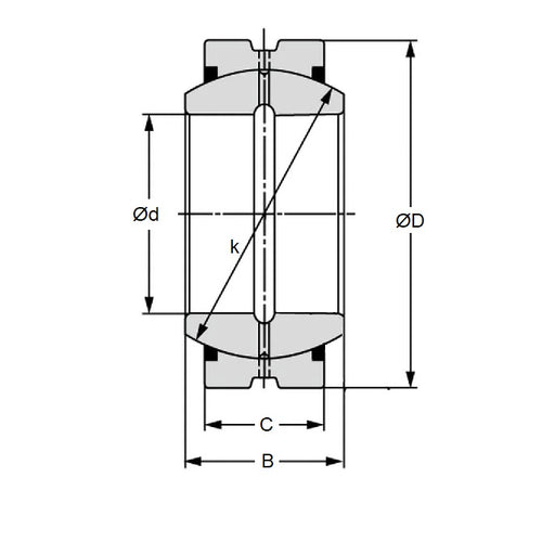
Product Data
- Bore (d1)
:
30.000
mm
(Equiv. 1.181 in.) - OD (d2)
50.000
mm
(Equiv. 1.969 in.) - Width (B)
27.000
mm
(Equiv. 1.063 in.) - Outer Width (C) 23.00 mm
- Dynamic Load Capacity 10400 kgf
- Static Load Capacity 62100 kgf
- Features No Wiper Seals / With Oil Hole
- Material Steel
Product Compliance and Data
Additional Resources
Cross References
- Nachi SB-30A
- IKO SB-30-A
- SB30A



