
Miniature Bearings Australia
GE-03000-04700-ST-OH-W - Datasheet
MBA
Category Information
Bushings - Spherical - Steel - With Oil Hole and Wiper SealWith Oil Hole and Wiper Seal Steel Spherical Bushings. Steel spherical plain bearings. Also known as ball bushings.
- Compensates for axial loads and misalignment.
Product Data
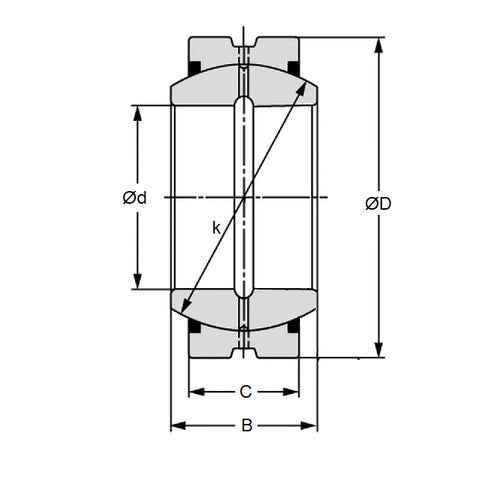
- Bore (d1)
:
30.000
mm
(Equiv. 1.181 in.) - OD (d2)
47.000
mm
(Equiv. 1.85 in.) - Width (B)
22.000
mm
(Equiv. 0.866 in.) - Outer Width (C) 18.00 mm
- Dynamic Load Capacity 7330 kgf
- Static Load Capacity 44000 kgf
- Features With Wiper Seals / With Oil Hole
- Material Steel
Product Compliance and Data
Additional Resources
Cross References
- Nachi GE-30ES-2RS
- IKO GE30ES-2RS
- Nachi GE-30ES-RS
- IKO GE30ES-RS
- GE30ESRS
- GE30ES2RS



