
Miniature Bearings Australia
GM-105SL-M35-250-C6-N - Datasheet
MBA
Category Information
Gears - Mitre - Module 3.5 - Spiral - SteelSteel Spiral Module 3.5 Mitre Gears. 1:1 Ratio. 20 Degree Pressure Angle - 35 Degree Spiral tooth - Steel.
- An expanded range may be available on special order. Please enquire.
- A set of spiral mitre gears must be identical in module and number of teeth but opposite in spiral direction.
- This provides a 1 to 1 ratio on a 90 Degree angle.
- See Gears - Bevel for other ratios.
Product Data
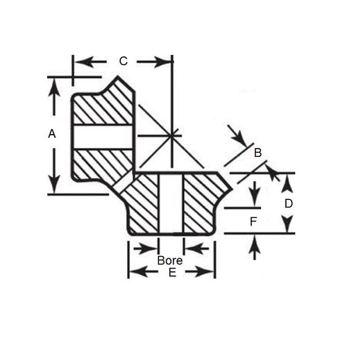
- Number of Teeth : 30
- Pitch Diameter (pd)
105
mm
(Equiv. 4.134 in.) - Bore (d)
25.000
mm
H7
(Equiv. 0.984 in.) - Overall Length (L) 49.400 mm
- Direction Left Hand Match Opposite Direction
- Hub Diameter (hd) 67.770 / No Set Screw mm
- Sold Per Each
- Hub Projection (hp) 25.00 mm
- Mounting Distance (md) 85.000 mm
- Face Width (fw) 22.000 mm
- Outside Diameter 109.21 mm
- Material ISO CLASS 6 / AISI 1045 Steel
Product Compliance and Data
Additional Resources
Cross References
- KHK KHKSMSG3.5-30L
- S13S1YMK35G30L25
- KHKSMSG3530L


