
Miniature Bearings Australia
BP0302-0365-0635-BSHH3 - Datasheet
MBA
Category Information
Bushes - Unflanged - Bronze - SinteredSintered Bronze Unflanged Bushes. Oil impregnated sintered bronze bushes.
- An expanded range may be available on special order. Please enquire.
- Precision items show an allowable Load Speed Rating in Newtons times RPM.
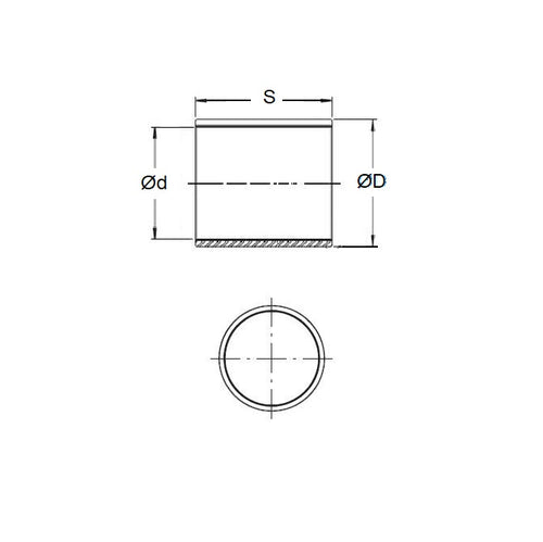
Product Data
- Nominal Inside Diameter (d)
:
30.163
mm
+ 0.089 / + 0.114
(Equiv. 1.188 in.) - Nominal Outside Diameter (D)
36.513
mm
+ 0.064 / + 0.089
(Equiv. 1.438 in.) - Length (s)
63.500
mm
+/- 0.190
(Equiv. 2.5 in.) - Material Bronze SAE 841 Sintered
Product Compliance and Data
Additional Resources
- DU Bush Material Information
- General Bushes Catalogue
- Sintered Bronze Products Catalogue
- Solid Bronze Bushes catalogue
Cross References
- Symmco SS-3846-40
- BP030203650635BS
- BP030203650635BSH
- BP030203650635BSHH
- A7B4SP384620
- A7B4-SP384620
- SS384640


