
Miniature Bearings Australia
BP0302-0365-0318-BSHH3 - Datasheet
MBA
Category Information
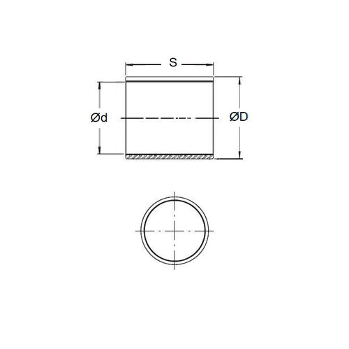
Bushes - Unflanged - Bronze - SinteredSintered Bronze Unflanged Bushes. Oil impregnated sintered bronze bushes.
- An expanded range may be available on special order. Please enquire.
- Precision items show an allowable Load Speed Rating in Newtons times RPM.
Product Data
- Nominal Inside Diameter (d)
:
30.163
mm
+ 0.089 / + 0.114
(Equiv. 1.188 in.) - Nominal Outside Diameter (D)
36.513
mm
+ 0.064 / + 0.089
(Equiv. 1.438 in.) - Length (s)
31.750
mm
+/- 0.127
(Equiv. 1.25 in.) - Material Bronze SAE 841 Sintered
Product Compliance and Data
Additional Resources
- DU Bush Material Information
- General Bushes Catalogue
- Sintered Bronze Products Catalogue
- Solid Bronze Bushes catalogue
Cross References
- Symmco SS-3846-20
- BP030203650318BS
- BP030203650318BSH
- BP030203650318BSHH
- A7B4-SP384610
- A7B4SP384610
- SS384620


