
Miniature Bearings Australia
IP-187RS - Datasheet
MBA
Category Information
Housing and Bearing Assembly - Tapped Base - Thermoplastic and StainlessThermoplastic and Stainless Tapped Base Housing and Bearing Assembly. Thermoplastic housed units offer a more favourable economic choice. Stainless steel bearings offer a high level of corrosion resistance and all metal parts are made from either 302, 304 or 440C stainless steel.
- Bearing housing assemblies combine matching parts already assembled. Bearings in this range refer to either ball bearings or plain bearings. Refer to the listings for each type.
- Operating temperature minus 20 oC to +95 deg C
- Thermoplastic hosuings are offwhite and are made from glass reinforced PBT resin. Favourable chemical resistance. Very resistant to moisture absorption.
- Excellent mechanical, thermal and electrical properties.
- All sleeves, bushings and grease fittings are 300 grade stainless steel.
- Food grade
Product Data
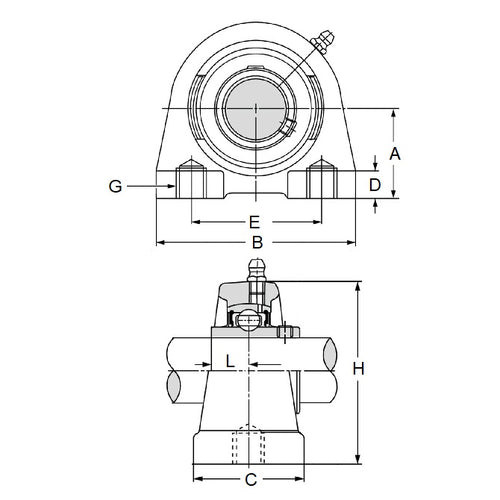
- Bore
:
30.163
mm
(Equiv. 1.188 in.) - Centre Height (A)
42.863
mm
(Equiv. 1.688 in.) - Width (B)
101.600
mm
(Equiv. 4 in.) - Depth (C) 42.863 mm
- Bolt Depth (D) 12.700 mm
- Bolt Distances (E) 76.200 mm
- Thread (G) 7/16-14
- K 84.138 mm
- L 22.200 mm
Product Compliance and Data
Additional Resources


