
Miniature Bearings Australia
REF-300-L-CB - Datasheet
MBA
Category Information
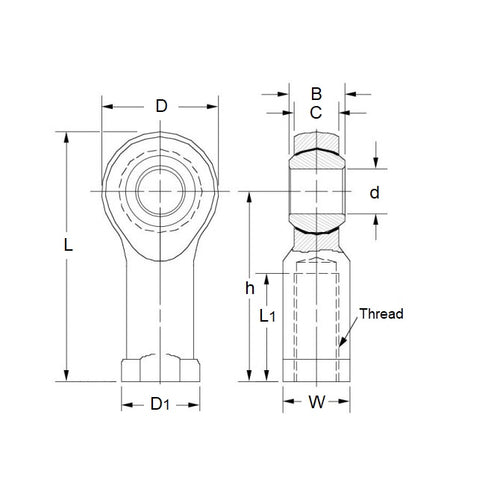
Rod Ends - Female - Steel - Plain - Bronze LinedBronze Lined Plain Steel Female Rod Ends. Imperial and Metric / Carbon Steel. Also known as Heim Joints
- An expanded range may be available on special order. Please enquire.
- Dimensions not shown are available on request.
Product Data
- Eye Size (d1)
:
30
mm
(Equiv. 1.181 in.) - Overall Length (L)
143.50
mm
(Equiv. 5.65 in.) - Thread Size (T) M30x2 Left
- Thread Length (l2) 56.00 mm
- Head Width (W) 25.00 mm
- Eye Width (W1) 37.00 mm
- Head Diameter (D) 67.00 mm
- Centre Height (l1) 110.00 mm
- Grease Nipple Yes
- Body Width/Flange Width(W2/D3) 41.00 / 50.00 mm
- Material Bronze Lined Steel
Product Compliance and Data
Additional Resources
Cross References
- RINO BEF-30-LH
- ASAHI JAF30L
- KWK KF30L
- IKO PHS30L
- Nachi PHS-30L
- NTN SFI-30L
- BEF30LH
- SFI30L


